# P3 课下项目:单周期 CPU 设计 - Logisim 实现
本文仅仅是 P3 课下 CPU 设计实验报告添加了部分内容
通过阅读或许可以给您完成 P3 课下任务提供些许帮助
课下要求可能会发生变化,下面的电路仅供参考,未必完全正确
UPD:2021/11/7
# CPU 设计方案综述
# 总体设计概述
要求实现的指令集包括 addu, subu, ori, lw, sw, beq, lui, nop
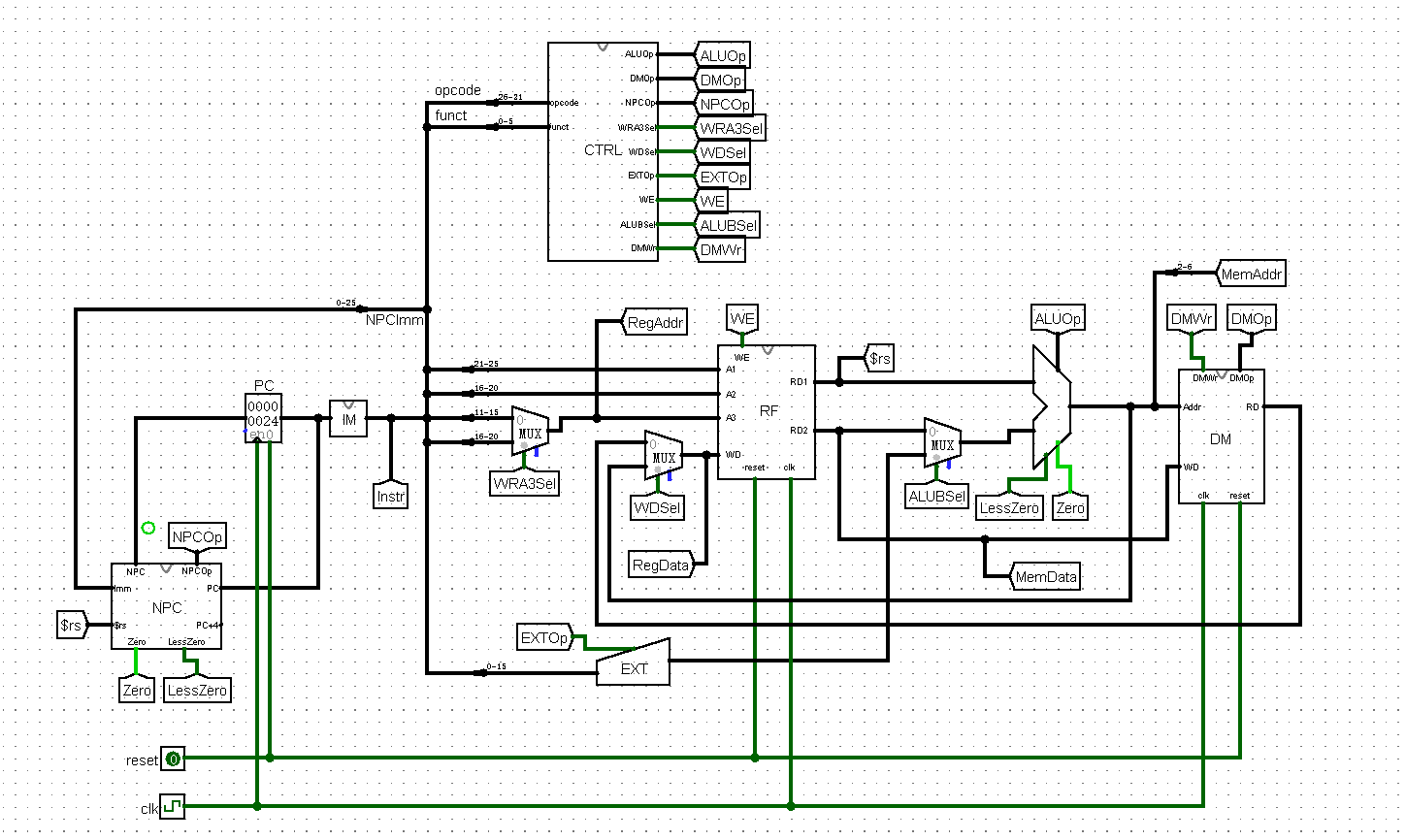
整体架构图如下:

参考了课件中整体架构:

# 关键模块定义
# GRF(寄存器堆)
端口说明
| 信号名称 | 方向 | 功能描述 |
|---|---|---|
| A1[4:0] | 输入 | 5 位地址输入信号,将其储存的数据读出到 RD1 |
| A2[4:0] | 输入 | 5 位地址输入信号,将其储存的数据读出到 RD2 |
| A3[4:0] | 输入 | 5 位地址输入信号,将其作为写入数据的目标寄存器 |
| RD1[31:0] | 输出 | 输出 A1 指定的寄存器中的 32 位数据 |
| RD2[31:0] | 输出 | 输出 A2 指定的寄存器中的 32 位数据 |
| WD[31:0] | 输入 | 32 位数据输入信号 |
| WE | 输入 | 写使能信号;1:写入有效;0:写入无效 |
| clk | 输入 | 时钟信号 |
| reset | 输入 | 异步复位信号,将 32 个寄存器中的数据清零;1:复位;0:无效 |
# 控制信号说明
1. WRA3Sel
| 控制信号值 | 功能 |
|---|---|
1'b0 | 选择待写入寄存器地址来自 Instr[15:11] |
1'b1 | 选择待写入寄存器地址来自 Instr[20:16] |
2. WDSel
| 控制信号值 | 功能 |
|---|---|
1'b0 | 选择写入寄存器的数据来自 DM |
1'b1 | 选择写入寄存器的数据来自 ALU 运算结果 |
# 元件示意图

# PC(程序计数器)
端口说明
| 信号名称 | 方向 | 功能描述 |
|---|---|---|
| clk | 输入 | 时钟信号 |
| reset | 输入 | 异步复位信号 |
| PCIn | 输入 | 输入 NPC |
| PCOut | 输出 | 输出当前指令地址 |
# NPC(次地址计算单元)
端口说明
| 信号名称 | 方向 | 功能描述 |
|---|---|---|
| PC[31:0] | 输入 | 32 位输入当前地址 |
| NPC[31:0] | 输出 | 32 位输出次地址 |
| NPCOp[1:0] | 输入 | 控制信号 |
| RA[31:0] | 输入 | $ra 寄存器保存的 32 位地址 |
| Zero | 输入 | $rs 与 $rt 是否相等的标志;1:相等;0:不等 |
| LessZero | 输入 | $rs 是否小于 $rt 的标志;1:小于;0:大于或等于 |
| PC+4[31:0] | 输出 | 输出 PC+4 的值 |
# 控制信号说明
| 控制信号值 | 功能 |
|---|---|
3'b000 | NPC=PC+4 |
3'b001 | 执行 beq 指令 |
3'b110 | 执行 j , jal 指令 |
3'b111 | 执行 jalr , jr 指令 |
# 元件示意图


# ALU(算术逻辑单元)
端口说明
| 信号名称 | 方向 | 功能描述 |
|---|---|---|
| A[31:0] | 输入 | 32 位输入运算数 A |
| B[31:0] | 输入 | 32 位输入运算数 B |
| C[31:0] | 输出 | 32 位输出运算结果 |
| ALUOp[3:0] | 输入 | 控制信号 |
| Zero | 输出 | 若 则置为 1,否则置为 0 |
| LessZero | 输出 | 若 则置为 1,否则置为 0 |
控制信号说明
1. ALUOp
| 控制信号值 | 功能 |
|---|---|
3'b000 | 执行加法运算 |
3'b001 | 执行减法运算 |
3'b010 | 执行逻辑或运算 |
3'b011 | 执行左移运算 |
3'b100 | 执行 lui 指令 |
2. ALUBSel
| 控制信号值 | 功能 |
|---|---|
1'b0 | 选择寄存器中的值进行运算 |
1'b1 | 选择立即数进行运算 |
# 元件示意图

# EXT(位扩展)
将 16 位二进制数进行零扩展或符号扩展到 32 位
控制信号说明
| 控制信号值 | 功能 |
|---|---|
1'b0 | 零扩展 |
1'b1 | 符号扩展 |
# IM(指令储存器)
将 PC 中储存的对应地址的指令取出
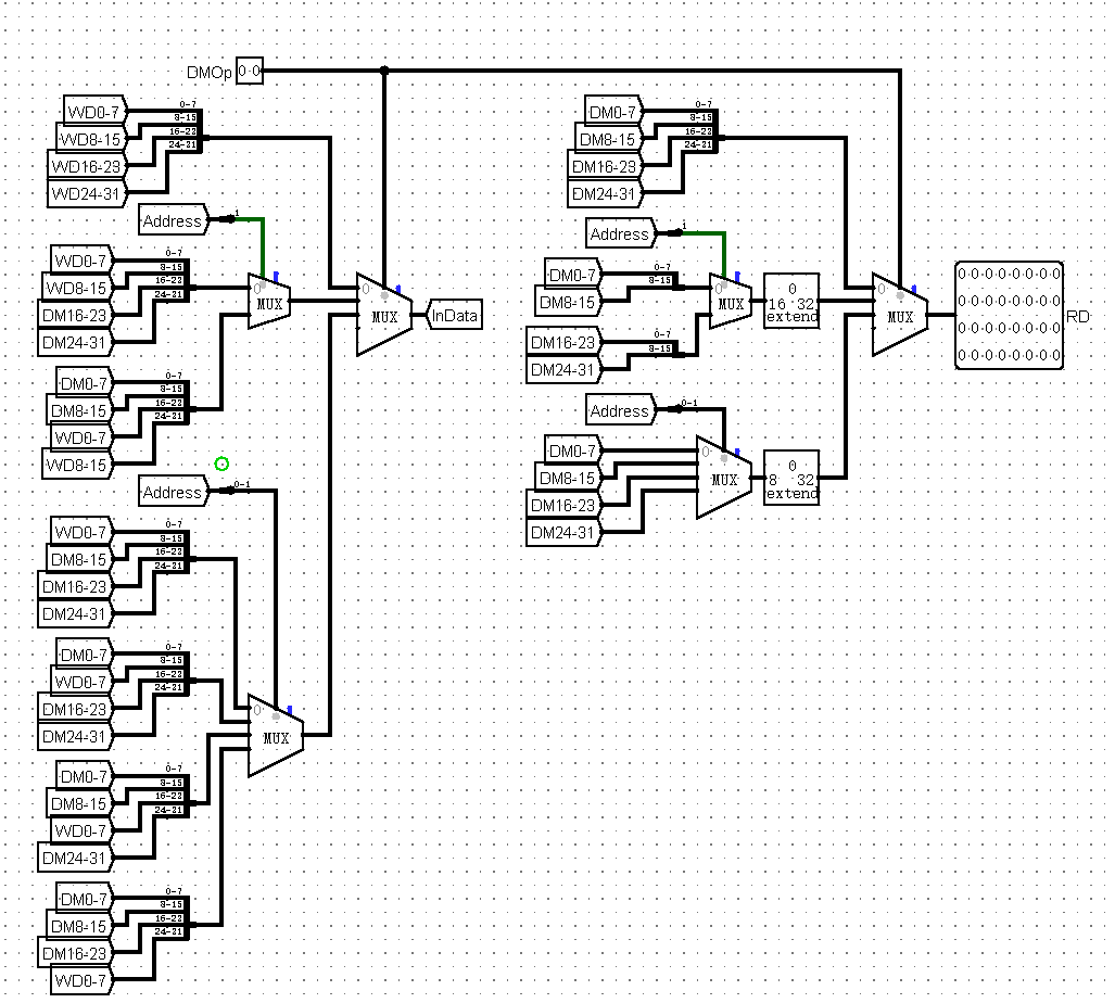
# DM(数据储存器)
端口说明
| 信号名称 | 方向 | 功能描述 |
|---|---|---|
| Addr[31:0] | 输入 | 待操作的内存地址 |
| WD[31:0] | 输入 | 待写入内存的值 |
| clk | 输入 | 时钟信号 |
| reset | 输入 | 异步复位信号 |
| DMWr | 输入 | 写使能信号;1:写入有效;0:写入无效 |
| DMOp | 输入 | 控制信号 |
| RD[31:0] | 输出 | 输入地址指向的内存中储存的值 |
控制信号说明
| 控制信号值 | 功能 |
|---|---|
2'b00 | 对应 lw 和 sw 指令,写入或读取整个字 |
2'b01 | (保留)对应 lh 和 sh 指令,写入或读取半字 |
2'b10 | (保留)对应 lb 和 sb 指令,写入或读取整个字 |
也许对于 lbu 指令还需要添加额外的控制信号
UPD:课上测试考完以后 并没有用到 lh , lb 和 lhu 的保留指令,也许以后会考吧...
# 元件示意图
主体部分:

对于 lh , sh , lb , sb 的特殊处理部分

整体:

# 数据通路分析
| 指令 | opcode | funct | NPCOp | WRA3Sel | WDSel | EXTOp | WE | ALUASel | ALUBSel | ALUOp | DMWr | DMOp |
|---|---|---|---|---|---|---|---|---|---|---|---|---|
| addu | 000000 | 100001 | 000 | 0 | 1 | X | 1 | 0 | 000 | 0 | X | |
| subu | 000000 | 100011 | 000 | 0 | 1 | X | 1 | 0 | 001 | 0 | X | |
| ori | 001101 | X | 000 | 1 | 1 | 0 | 1 | 1 | 010 | 0 | X | |
| lw | 100011 | X | 000 | 1 | 0 | 1 | 1 | 1 | 000 | 0 | 00 | |
| sw | 101011 | X | 000 | 1 | 0 | 1 | 0 | 1 | 000 | 1 | 00 | |
| beq | 000100 | X | 001 | X | X | X | 0 | 0 | 001 | 0 | X | |
| lui | 001111 | X | 000 | 1 | 1 | X | 1 | 1 | 100 | 0 | X |
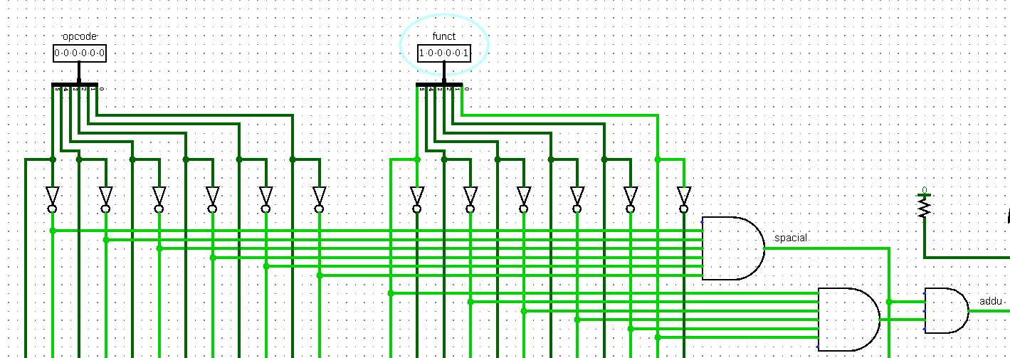
# 关于如何添加指令
首先按照我开头的图片和下面模块的描述搭建好数据通路,然后开始搭建 CTRL(控制器),利用它来给出各种选择和操作信号,这个过程就是添加指令,下面以 addu 指令为例
首先按照这样把 funct 和 opcode 的每一位给他输出来,用小手把 opcode 和 funct 点成 addu 指令对应的代码 00000 和 10001 ,然后可以用与门把他们与一下,得到的就是 addu 的导线

对于这一条导线,当且仅当输入指令是 addu 是才是高电平,后面就这样做

利用或门把 addu 指令在上面表格中对应的各种选择信号和操作信号调整到正确的值,这样就完成之后就搭好了 addu 指令
搞完所有课下指令后,我的 CTRL 长这个样子

# 调试过程记录
课下测试很弱,需要注意的点就是刚开始看清楚 beq 指令的 RTL 语言, beq 中的立即数不是绝对地址,而是偏移量 offset ,真正跳转的地址 addr = PC + 4+ offset
UPD:课上测试考完之后 然而在课上还是没有看清 RTL 语言,在添加 lwor 指令的时候还是错了一次...
# 调试方法与辅助工具
综合讨论区中大佬的代码,修改不合适之处,综合形成了自动化测试工具
利用 C++ 生成 MIPS 汇编代码
// Filename: code_generate.cpp | |
// Update on 2021 Nov. 8 | |
// Fix some bugs and change the code for the test in Computer Organization course in Fall, 2021 | |
#include<fstream> | |
#include<vector> | |
#include<algorithm> | |
#include<cstdlib> | |
#include<ctime> | |
using namespace std; | |
ofstream cout("mips_code.txt"); | |
struct op{ // type=0:nop, type=1:addu, type=2:subu, type=3:lui, type=4:ori, type=5:lw, type=6:sw, type=7:beq | |
int type,r1,r2,r3; | |
op(){} | |
op(int a1,int a2,int a3,int a4){ | |
type=a1,r1=a2,r2=a3,r3=a4; | |
} | |
}; | |
int size_im,size_dm,size_op,small_reg; | |
op a[10010]; | |
vector<int> branch[10010]; | |
int is_small[40],small[40],val[40],cnt; | |
int r(int a,int b,int except1){ // Randomly generate a register except the $1($at), because $1 may cause some unexpected errors | |
// Function: Generate a random number in range (a, b), except number 1 when except1=1 | |
int t0=rand()*2+rand()%2; | |
int res=t0%(b-a+1)+a; | |
return ((res==1)&&except1==1)?0:res; | |
} | |
int t[10010]; | |
void get_small(){ // Randomly select some registers for process 'lw' and 'sw' in the test | |
int i; | |
for(i=1;i<=26;i++) t[i]=i; | |
for(i=1;i<=26;i++) swap(t[i],t[rand()%30+1]); | |
for(i=1;i<=small_reg;i++) small[i]=t[i]+1,is_small[t[i]+1]=1; | |
} | |
int nosmall(){ // Randomly generate a register which is not in the array small[] | |
int u=r(0,27,1); | |
while(is_small[u]==1){u=r(0,27,1);} | |
return u; | |
} | |
void print(int x){ | |
if(a[x].type==0) cout<<"nop"<<endl; | |
if(a[x].type==1) cout<<"addu $"<<a[x].r1<<",$"<<a[x].r2<<",$"<<a[x].r3<<endl; | |
if(a[x].type==2) cout<<"subu $"<<a[x].r1<<",$"<<a[x].r2<<",$"<<a[x].r3<<endl; | |
if(a[x].type==3) cout<<"lui $"<<a[x].r1<<","<<a[x].r3<<endl; | |
if(a[x].type==4) cout<<"ori $"<<a[x].r1<<",$"<<a[x].r2<<","<<a[x].r3<<endl; | |
if(a[x].type==5) cout<<"lw $"<<a[x].r1<<","<<a[x].r3<<"($"<<a[x].r2<<")"<<endl; | |
if(a[x].type==6) cout<<"sw $"<<a[x].r1<<","<<a[x].r3<<"($"<<a[x].r2<<")"<<endl; | |
if(a[x].type==7) cout<<"beq $"<<a[x].r1<<",$"<<a[x].r2<<",branch"<<a[x].r3<<endl; | |
} | |
int main(){ | |
int i,j; | |
srand(time(NULL)); | |
size_im=32,size_dm=32,size_op=8,small_reg=8; // The size of IM and DM is 32 in the test | |
get_small(); | |
for(i=1;i<=small_reg;i++) // Firstly, use 'ori' to assign primary data for the registers | |
a[i]=(op(4,small[i],0,val[small[i]]=r(0,size_dm-1,0))); | |
for(i=small_reg+1;i<=size_im;i++){ | |
int op0=r(0,size_op-1,0),r1,r2,r3; | |
if(op0==0) a[i]=(op(0,0,0,0)); | |
if(op0==1||op0==2){ // 'addu' and 'subu' | |
a[i]=op(op0,nosmall(),r(0,27,1),r(0,27,1)); | |
} | |
if(op0==3||op0==4){ // 'lui' and 'ori' | |
a[i]=(op(op0,nosmall(),r(0,27,1),r(0,65535,0))); | |
} | |
if(op0==5){ // 'lw' | |
r1=r(0,size_dm-1,0); | |
r2=r(1,small_reg,0); | |
a[i]=(op(op0,nosmall(),small[r2],(r1-val[small[r2]])*4)); | |
} | |
if(op0==6){ // 'sw' | |
r1=r(0,size_dm-1,0); | |
r2=r(1,small_reg,0); | |
a[i]=(op(op0,r(0,27,1),small[r2],(r1-val[small[r2]])*4)); | |
} | |
if(op0==7){ // 'beq' branch above may cause bugs, just generate branch below | |
r3=r(i,size_im,0); | |
a[i]=(op(op0,r(0,27,1),r(0,27,1),++cnt)); | |
branch[r3].push_back(cnt); // Randomly put the branch tags | |
} | |
} | |
for(i=1;i<=size_im;i++) { | |
print(i); | |
for(j=0;j<branch[i].size();j++) | |
cout << "branch" << branch[i][j] << ":" << endl; | |
} | |
return 0; | |
} |
然后利用 Python 程序去运行 Mars 导出机器码,并将机器码导入 Logisim 电路 ROM 中,同时读取并格式化输出数据,进行比较
# Filename: auto_judger.py | |
import os | |
import re | |
# 由于测试程序需要直接修改电路源代码文件,请务必提前进行备份电路源文件! | |
# 由于测试程序需要直接修改电路源代码文件,请务必提前进行备份电路源文件! | |
# 由于测试程序需要直接修改电路源代码文件,请务必提前进行备份电路源文件! | |
def logProcess(log,dest): # 感谢评论区提供的格式化输出代码 | |
logText=log.readlines() | |
for line in logText: | |
linestr=re.sub(r"\s+","",line) | |
dest.write("@"+"{:>08x}".format(int(linestr[0:32],2))+":\t") | |
if(linestr[32]=='1'): | |
dest.write("$"+"{:2d}".format(int(linestr[33:38],2))+" <= "+"{:>08x}".format(int(linestr[38:70],2))+"\t") | |
if(linestr[70]=='1'): | |
dest.write("#"+"{:>08x}".format(int(linestr[71:76],2))+" <= "+"{:>08x}".format(int(linestr[76:108],2))+"\t") | |
dest.write("\n") | |
if __name__ == '__main__': | |
# -------------------- Prepare the testbench --------------------------- | |
WorkDir = "G:/MyWorkspace/Computer_Organization/P3/Auto_Judge" | |
os.chdir(WorkDir) | |
os.system(".\\code_generate.exe") | |
os.system("java -jar .\\mars.jar mips_code.txt nc mc CompactTextAtZero a dump .text HexText mips_hex_code.txt") | |
# -------------------- Prepare the circuit --------------------------- | |
testbench = open("mips_hex_code.txt", "r").read() | |
src = open("src.circ", "r", encoding='utf8').read() | |
src_rep = re.sub(r'addr/data: 5 32([\s\S]*)</a>', "addr/data: 5 32\n"+ testbench +"</a>", src) | |
open("src.circ", "w").write(src_rep) | |
std = open("std.circ", "r", encoding='gbk').read() | |
std_rep = re.sub(r'addr/data: 5 32([\s\S]*)</a>', "addr/data: 5 32\n"+ testbench +"</a>", std) | |
open("std.circ", "w").write(std_rep) | |
# ---------------------- Running --------------------------- | |
os.system("java -jar .\\logisim.jar .\\src.circ -tty table speed > src_running_res.txt") | |
os.system("java -jar .\\logisim.jar .\\std.circ -tty table speed > std_running_res.txt") | |
# os.system("fc src_running_res.txt std_running_res.txt") | |
login = open('src_running_res.txt', 'r') | |
logdest = open('src_info.txt', 'w') | |
logProcess(login, logdest) | |
login = open('std_running_res.txt', 'r') | |
logdest = open('std_info.txt', 'w') | |
logProcess(login, logdest) |
最后用 Windows 批处理脚本重复运行,比较输出
echo off | |
:loop | |
python auto_judger.py | |
fc src_info.txt std_info.txt | |
goto loop |
# 思考题
思考题 1 现在我们的模块中 IM 使用 ROM, DM 使用 RAM, GRF 使用 Register,这种做法合理吗? 请给出分析,若有改进意见也请一并给出。
解答 部分合理;IM 只需被读取,ROM 只有读取功能;DM 既要进行读取,又要进行写入,但是一个周期只会进行读取和写入之一,RAM 的单一地址和各一个的读写端口满足了这种要求。用寄存器也能实现 DM,但是 DM 需要较大的空间,使用寄存器太 “浪费”;GRF 需要读写,且其与 ALU 直接连接,需要高速地读写,故使用寄存器堆搭建合理。但是事实上,现代计算机都是指令和数据放在同一个存储器下的,因此存在必合理,IM 和 DM 使用同一个 RAM 也有合理之处。
思考题 2 事实上,实现 nop 空指令,我们并不需要将它加入控制信号真值表,为什么?
解答 sll $0, $0, 0 对应的指令码是 0x0000_0000 ,也被认为是 nop (空操作指令)。 该指令有时被用于空循环,有时被编译器用于与体系结构相关的编译优化。
思考题 3.1 上文提到,MARS 不能导出 PC 与 DM 起始地址均为 0 的机器码。实际上,可以通过为 DM 增添片选信号,来避免手工修改的麻烦。请查阅相关资料进行了解,并阐释为了解决这个问题,你最终采用的方法。
解答 如果寄存器中存储的 DM 的地址被映射在 0x3000_0000 到 0x3fff_ffff 间,而我们的 DM 起始地址是 0,那么,我们可以将输入地址用一个减法器直接减去 0x3000_0000,再作为 DM 的地址输入。
思考题 3.2 除了编写程序进行测试外,还有一种验证 CPU 设计正确性的办法 —— 形式验证。 形式验证 的含义是根据某个或某些形式规范或属性,使用数学的方法证明其正确性或非正确性。请搜索 “形式验证(Formal Verification)”,了解相关内容后,简要阐述相比于测试,形式验证的优劣之处。
解答
形式验证的优点如下:
所有可能的情况进行验证,覆盖率达到了 100%。
形式验证的验证时间短,可以很快发现和改正电路设计中的错误,可以缩短设计周期。
形式验证的缺点如下:
- 形式验证只能检验电路设计的正确性,却无法检验其它方面如电路能耗等的优劣。
# 参考资料
使用 logisim 搭建单周期 CPU 与添加指令 - BUAA-YiFei - 博客园 (cnblogs.com)
BUAA-CO/p3 at master · roife/BUAA-CO (github.com)
Computer-Organization-BUAA-2020/5-P3 at main · rfhits/Computer-Organization-BUAA-2020 (github.com)
P3 - 单周期 CPU(Logisim 实现) - BUAA-Wander - 博客园 (cnblogs.com)
BUAA 计组 p3_Logisim_复习 tips - Frida_huan - 博客园 (cnblogs.com)